24+ Electrical Single Line Diagram
Ee 100 Mv Switchgear Single Line Diagram Pdf Electricity Electromagnetism

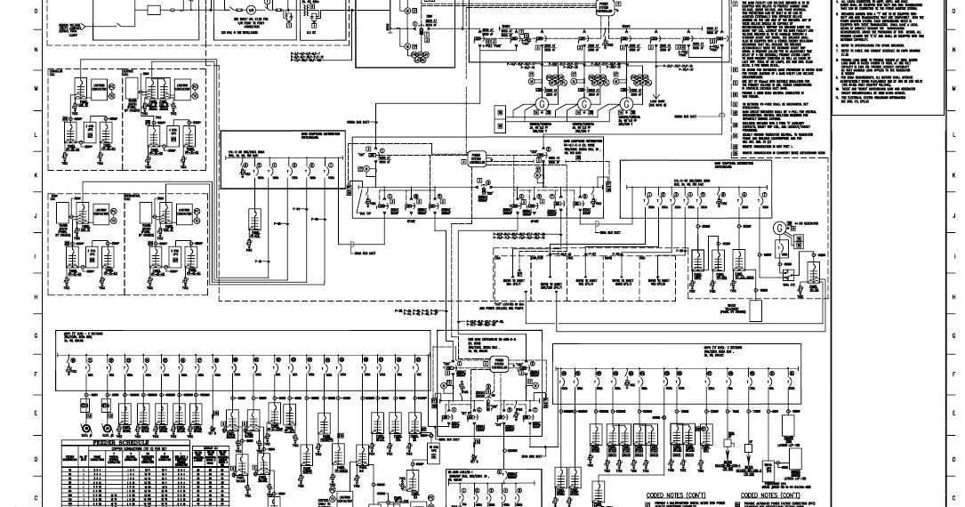
How To Read A Single Line Diagram
Electrical Single Line Diagram Intelligent One Line Diagram Etap
Single Line Diagram Wikipedia
Electrical Single Line Diagram Intelligent One Line Diagram Etap
Three Line Diagram Line Diagram Single Line Diagram Single Line Drawing
How To Read And Understand An Electrical Single Line Diagram
A Single Line Diagram Of One Phase Of The Studied Lv Distribution Download Scientific Diagram
Electrical One Line Diagram Archtoolbox
Single Line Diagram Of Electrical System
Electrical One Line Diagram
What Is A Single Line Diagram How To Draw A Circuit Diagram
Single Line Diagram How To Represent The Electrical Installation Of A House Stacbond
Electrical Single Line Diagram Intelligent One Line Diagram Etap
Learn To Interpret Single Line Diagram Sld Eep
How To Read And Interpret Single Line Diagram Part Two Electrical Knowhow
What Is A Single Line Diagram How To Draw A Circuit Diagram
Intelligent Electrical Single Line Diagram Etap